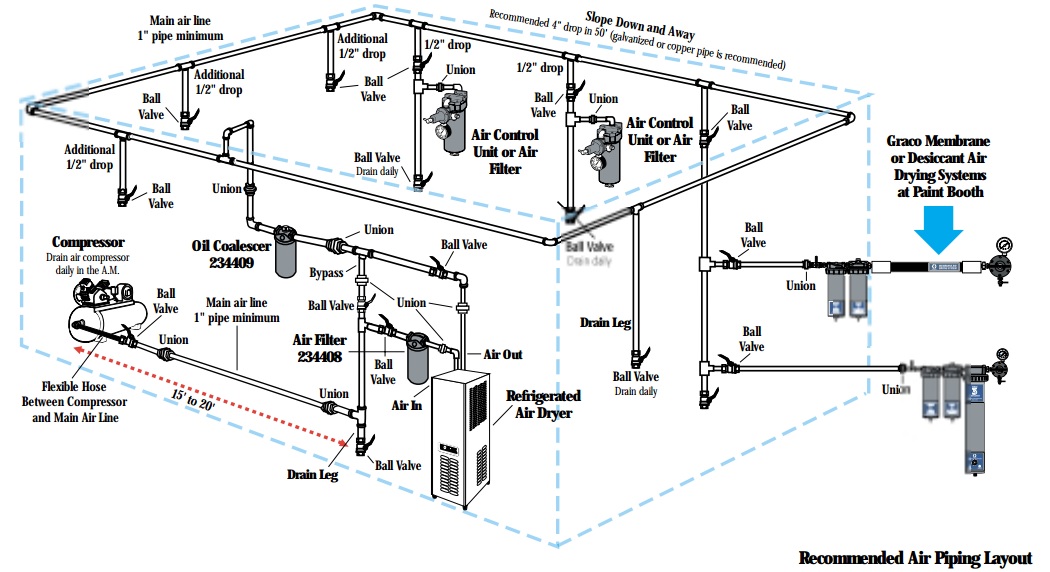
Description
Remove water, Oil & Contaminants from Compressed Air
FEATURES
• Stage One of two-stage system removes water and
contaminants down to 5 microns
• Stage Two coalescer removes oil and submicron
particles down to .01 microns
• In-line filter designed with reusable filter element
• Completely disassemble filter and coalescer
by hand without tools
• Auto-drain valves standard with filter and coalescer
BENEFITS
• Dry air for all air-operated equipment
• Clean air increases equipment life and product
performance
• Easy-to-clean and change coalescing filter
• No-hassle maintenance
• Eliminates manual emptying of filters



















